Установка УФ-обработки воды UVM-300 LITE с лампами среднего давления

Установка УФ-обработки воды UVM-300 LITE с лампами среднего давления
Установка УФ-обработки воды UVM-300 LITE с лампами среднего давления

Предзаказ

Основные характеристики

Артикул

УФМ.03L

Лампа среднего давления

Да

Максимальный проток воды, м³/ч

12

Мощность УФ, Вт

300

Срок службы лампы, ч

5000

Датчик потока

Есть

Описание товара


Ультрафиолетовая установка обеззараживания воды UVM-300 Lite имеет производительность 12 м3/час и предназначена для частных и общественных бассейнов, зон гидромассажа и джакузи, где используется хлор. За счет применения в этих установках широкодиапазонных ультрафиолетовых ламп среднего давления, кроме уничтожения вирусов и бактерий, они способны снижать концентрацию содержащегося в воде связанного хлора (соединений группы хлораминов). 

Установлено, что ультрафиолетовое излучение с длиной волны в диапазоне 300-400 нм эффективно для разрушения хлораминов. С этой задачей успешно справляются лампы среднего давления, излучающие УФ в спектре 200-400 нм. Лампы низкого давления, 95% излучения которых приходится на узкую часть диапазона с длиной волны 253,7 нанометров, имеют существенно меньшую эффективность при воздействии на хлорамины. 

Именно способность комплексно воздействовать на обрабатываемую воду, одновременно с обеззараживанием разрушая соединения связанного хлора, выгодно отличает системы UVM-300 Lite от моделей на основе ламп низкого давления. Установки с лампами среднего давления способны обеспечить уровень содержания в воде общественных бассейнов хлораминов до 0,2 мг/л – значения, регламентированного действующими санитарными правилами (СП 2.1.3678-20).

Расходный элемент
Ртутная лампа среднего давления 300 Вт - 1 шт.
Срок службы УФ-лампы - 5000 часов (7 месяцев) в режиме непрерывной эксплуатации. 

Расходный элемент
Ртутная лампа среднего давления 300 Вт - 1 шт.
Срок службы УФ-лампы - 5000 часов (7 месяцев) в режиме непрерывной эксплуатации. 

Особенности конструкции
Все корпусные детали установки UVM-300 Lite выполнены из нержавеющей стали марки AISI 316. Установленная внутри корпуса лампа среднего давления при скорости протока воды, соответствующей паспортной производительности установки, обеспечивает необходимую для снижения концентрации хлораминов дозу облучения не менее 60 мДж/см2.

Обратите внимание, что модели серии Lite, в отличие от стандартной комплектации установок UVM, не оснащены датчиком УФ излучения и блоком промывки кварцевых чехлов. 

Важным преимуществом конструкции УФ систем данного модельного ряда являются компактные габариты, связанные с небольшими размерами применяемых в них ламп среднего давления. Эта особенность позволяет без проблем вписать установку UVM-300 Lite практически в любое сервисное помещение, а также снижает риски повреждения чехлов/ламп при их замене. 

Кроме того, высокая мощность и плотность УФ-излучения ламп среднего давления уменьшает количество ламп, необходимых для обеспечения заданной мощности. В результате установка XENOZONE UVM содержит всего одну лампу, что в отличие от многоламповых конструкций установок с лампами низкого давления, существенно сокращает трудоемкость и затраты времени при замене ламп. 

Комплект поставки
В состав поставки установок модели UVM-300 Lite входят следующие узлы и комплектующие: 

УФ-реактор - 1 шт
Шкаф питания со счетчиком наработки времени - 1 шт
Датчик протока - 1 шт
Датчик температуры - 1 шт
Кронштейн с крепежом для монтажа на стену - 1 шт
Переход ПВХ 2 1/2” ВР под вклейку д.75 - 2 шт
Паспорт и руководство по эксплуатации - 1 шт
Упаковка (деревянная тара) - 1 шт
Основные технические характеристики:
Производительность (объем воды, обрабатываемый за единицу времени): 12 м3/час
Доза ультрафиолетового облучения: 60 мДж/см2
Общая электрическая мощность установки: 600 Вт
Количество и тип установленных ламп: 1 шт., ртутная, среднего давления
Срок службы ламп: 5000 часов
Температурный диапазон обработки воды: от +5°C до +45°C
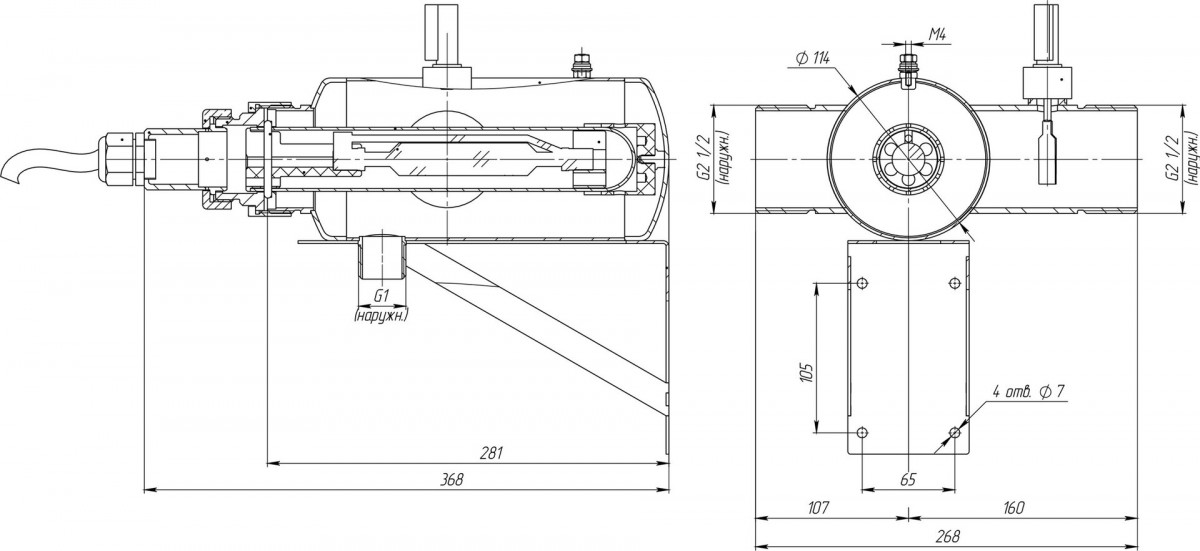
Материал и габариты корпуса установки: сталь AISI-316, 268х364х192 мм
Габариты блока управления: 500х400х200 мм
Присоединение к трубопроводу: наружная резьба 2 ½ дюйма
Максимальное давление воды: до 6 атм 
Условия эксплуатации и требования к техническому помещению
УФ установки модельного ряда UVM не предназначены для использования в бассейнах и аквапарках с морской водой и установленными электролизерами. Их монтаж, подключение и обслуживание следует производить в строгом соответствии с требованиями, изложенными в техническом паспорте изделия. 

Порядок и условия покупки
Приняв решение купить установку UVM-300 Lite на условиях самовывоза с нашего склада или с доставкой в нужный вам город России и СНГ, свяжитесь с нашими менеджерами по телефону, через WhatsApp или по электронной почте.

Характеристики

Лампа среднего давления

Да

Максимальный проток воды, м³/ч

12

Мощность УФ, Вт

300

Срок службы лампы, ч

5000

Датчик потока

Есть

Хотите работать с нами?

Оставляйте заявку и наши менеджеры представят вам анализ вашего запроса и варианты реализации вашей задумки.

Нажимая кнопку вы даете согласие на обработку персональных данных в соответствии с политикой конфиденциальности

Хотите работать с нами?